8 800 700 44 98 по России бесплатно

+7 343 266-41-44

Ваш город:
Все верно

logo
icon cart

8 800 700 44 98 по России бесплатно

+7 343 266-41-44

Ваш город:
Все верно
logo

Дорожное ограждение 11 ДД-2-300 кДЖ У4 (СДС-1,6-2)

Характеристики:

Длинна балки, мм:

4320

Покрытие:

гор.цинк.

Толщина балки, мм:

4

Удерживающая способность, кДж:

300

Шаг стойки, м:

2

Тип:

Дорожное двустороннее

В наличии

icon tooltip

Количество уточняйте у менеджера

Договорная

Доставка:

В любую точку России и СНГ

Производитель:

Альдекс

Описание

Ограждение 11 ДД - металлическая конструкция, устанавливаемая на автодорогах и автомагистралях. Предназначена для повышения уровня безопасности участников дорожного движения, ориентирования и разделения дорожного потока.

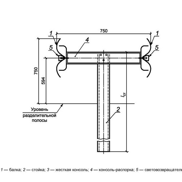
Металлическое барьерное ограждение состоит из секций балки, стойки дорожной, стойки и элемента начального и конечного участка, консоли- амортизатора, комплекта крепежа и светоотражающих элементов.

Элементы колесоотбойников изготавливаются из листовой стали толщиной 4 мм, имеют вид волны. Такой дорожный барьер способен выдержать большое силовое воздействие.

Для защиты от агрессивных внешних воздействий дорожный барьер обрабатывается с помощью грунтования или методом горячего цинкования.

Ограждение 11 ДД монтируется с помощью стоек, шаг изделий определяет расстояние, на котором стойки будут находиться друг от друга.

Дорожное двустороннее барьерное ограждение соответствует всем стандартам качества, изготовлено в соответствии с ГОСТ.

 

Чертежи
и схемы

Услуги

Выполненные проекты

icon menu Корзина

Оставьте заявку

Оставьте свои контактные данные и мы свяжемся с вами, чтобы ответить на любые вопросы. Или напишите нам в мессенджер:

с политикой конфиденциальности ознакомлен

добавлен в корзину

Перейти в корзину