8 800 700 44 98 по России бесплатно

+7 343 266-41-44

Ваш город: Екатеринбург
Все верно

logo
icon cart

8 800 700 44 98 по России бесплатно

+7 343 266-41-44

Ваш город: Екатеринбург
logo

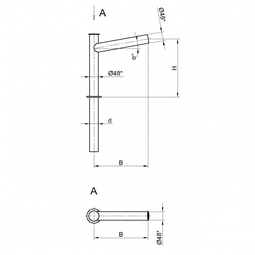
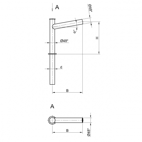
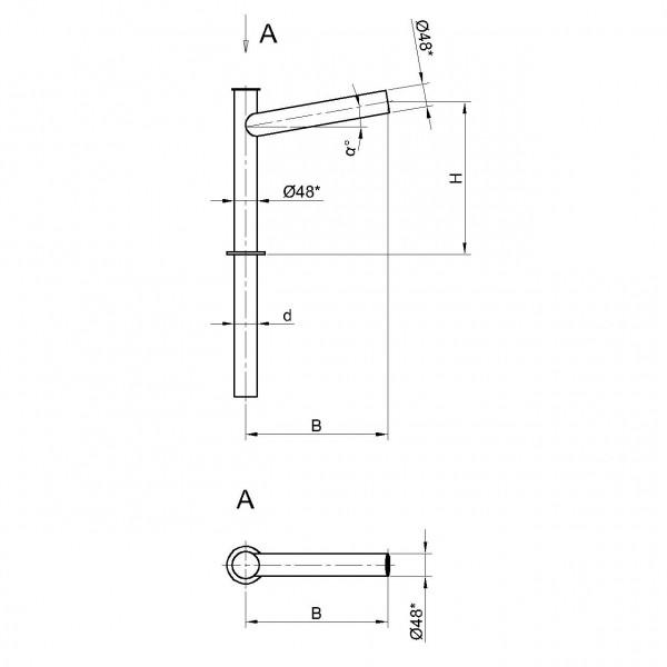
Кронштейн К20-0,5-0,5-1-1

Характеристики:

Вылет:

0,5

Высота кронштейна:

0,5

Исполнение крепления:

57

покрытие:

горячее цинкование

Угол наклона:

15

Число рожков:

1

В наличии

icon tooltip

Количество уточняйте у менеджера

Договорная

Доставка:

В любую точку России и СНГ

Описание

Однорожковые кронштейны К20-0,5-0,5-1-1 предназначен для крепления светильника на трубчатой опоре освещения. Завод опор освещения «Альдекс» изготавливает однорожковые консольные кронштейны из стального проката. Собственное производство позволяет выполнять изделия надлежащего качества и в кратчайшие сроки. Конструкция однорожковых кронштейнов К20-0,5-0,5-1-1. Конструкция консольных однорожковых кронштейнов К20-0,5-0,5-1-1 представляет собой гнутую металлическую трубу заданных размеров.

На однорожковый кронштейн возможно прикрепить только один светильник.

Характеристики:

  • покрытие: горячее цинкование
  • Число рожков: 1
  • Высота кронштейна: 0,5
  • Вылет: 0,5
  • Исполнение крепления: 57
  • Угол наклона: 15

Чертежи
и схемы

Сертификаты
и паспорта

Услуги

Выполненные проекты

icon menu Корзина

Оставьте заявку

Оставьте свои контактные данные и мы свяжемся с вами, чтобы ответить на любые вопросы. Или напишите нам в мессенджер:

с политикой конфиденциальности ознакомлен

добавлен в корзину

Перейти в корзину