8 800 700 44 98 по России бесплатно

+7 343 266-41-44

Ваш город:
Все верно

logo
icon cart

8 800 700 44 98 по России бесплатно

+7 343 266-41-44

Ваш город:
Все верно
logo

Мостовое ограждение 11МО-1,0-250 кДж У3

Характеристики:

Длинна балки, мм:

4320

Покрытие:

гор.цинк.

Прогиб, м:

0,63

Толщина балки, мм:

3

Удерживающая способность, кДж:

250

Шаг стойки, м:

2

Тип:

Мостовое ограждение

В наличии

icon tooltip

Количество уточняйте у менеджера

Договорная

Доставка:

В любую точку России и СНГ

Производитель:

Альдекс

Описание

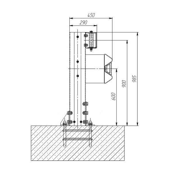
Мостовое одностороннее барьерное ограждение 11МО устанавливается на мостах и эстакадах, часто используется на дорогах, расположенных в горных районах. Такие ограждения предотвращают съезд транспортного средства с полотна моста. Конструкция данного типа отличается ограниченным показателем сдерживающей силы (250 кДж) и используется на мостах с небольшим количеством полос и ограниченной скоростью движения.

Барьерное ограждение 11МО изготавливается из секций металлического гнутого профиля. Конструкция состоит из амортизирующих консолей, стоек, комплекта крепежа, светоотражателей. Ограждения мостов имеют жесткое крепление к конструкции моста, посредством болтового соединения с цоколем.

Мостовое одностороннее барьерное ограждение 11МО требует дополнительного антикоррозийного покрытия.  Покрытие наносится  методом горячего цинкования или грунтования.

Монтируется мостовое ограждение с  помощью стоек с применением закладных элементов.

Чертежи
и схемы

Услуги

Выполненные проекты

icon menu Корзина

Оставьте заявку

Оставьте свои контактные данные и мы свяжемся с вами, чтобы ответить на любые вопросы. Или напишите нам в мессенджер:

с политикой конфиденциальности ознакомлен

добавлен в корзину

Перейти в корзину