8 800 700 44 98 по России бесплатно

+7 343 266-41-44

Ваш город: Екатеринбург

logo
icon cart

8 800 700 44 98 по России бесплатно

+7 343 266-41-44

Ваш город: Екатеринбург
logo

ЗФ-20/8/Д360-4,0-б

Характеристики:

Ø отверстий во фланце, мм:

20

Ø фланца, мм:

360

Кол-во отверстий во фланце, шт:

8

Подземная часть, м:

4,0

покрытие:

битумная мастика

В наличии

icon tooltip

Количество уточняйте у менеджера

Договорная

Доставка:

В любую точку России и СНГ

Описание

Закладные детали фундаментов ЗФ-20/8/Д360-4,0-б используются при строительстве фундаментов под установку фланцевых опор и мачт освещения, предназначенные для освещения бульваров, парков, скверов, микрорайонов, территорий коттеджных поселков и спортивных комплексов. Закладные детали используются при строительстве оснований для молниеотводов и опор освещения НФГ и СФГ.

Особенности конструкции

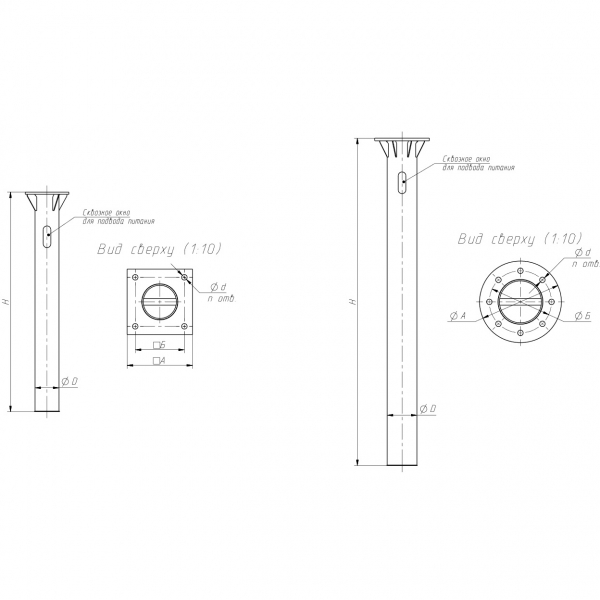
Фланцевые закладные детали изготавливаются из трубного проката по ГОСТ 10704-81. Материал выбирается в зависимости от климатического района эксплуатации с учетом коэффициента запаса прочности в соответствии с СП 16.13330.2011. В зависимости от типа воспринимаемой нагрузки как правило ЗДФ исполняются с квадратными фланцами с четырьмя отверстиями или с круглыми фланцами с количеством отверстий более четырех. ЗДФ стандартно имеют сквозное окно для подвода кабеля и заведения его в тело опоры. Наличие дополнительных отверстий или их отсутствие необходимо оговаривать отдельно при заказе.

Покрытие

ЗДФ защищены от коррозии, в соответствии с требованиями СНиП 2.03.11 и ГОСТ 9.602-2016. По умолчанию наружные поверхности части ЗДФ, конструктивно выступающей из фундаментного блока, покрываются слоем битумной мастики толщиной до 1,5 мм. Под запрос может применяться покрытие всех наружных поверхностей битумной мастикой или горячее цинкование в соответствии с ГОСТ. 9.307-89.

Габариты

  • Кол-во отверстий во фланце, шт — 8;
  • Ø отверстий во фланце, мм — 20;
  • Ø фланца, мм — 360;
  • Подземная часть, м — 4,0;
  • Покрытие — битумная мастика .

Чертежи
и схемы

Сертификаты
и паспорта

Услуги

Выполненные проекты

icon menu Корзина

Оставьте заявку

Оставьте свои контактные данные и мы свяжемся с вами, чтобы ответить на любые вопросы. Или напишите нам в мессенджер:

с политикой конфиденциальности ознакомлен

добавлен в корзину

Перейти в корзину